Миниатюрные устройства для сдачи экзаменов
СОДЕРЖАНИЕ
Малогабаритный приемо-передатчик для экзаменов
Делаем миниатюрный наушник своими руками
Беспроводный наушник для сдачи экзаменов-1
Беспроводный наушник для сдачи экзаменов-2
Беспроводной микронаушник на микросхеме
Беспроводный микронаушник скрытого ношения
Этот приемо-передатчик одна из моих первых разработок. Уже не помню, до или после кинофильма «Операция Ы», я собрал переносной приемо-передатчик и с его помощью успешно сдал всего один экзамен – "Научный Коммунизм”. Все другие экзамены проблем не вызывали…. А диктовал мне по конспекту сокурсник Зильберштейн (может, отзовется?).

Питание от батареи "Крона”. Регулятор громкости R6 с выключателем от карманного приемника. Дальность действия, несколько десятков метров, перекрывала весь институт связи (ОЭИС). Антенна из гибкого провода 1-1,5 метра размещалась под пиджаком на спине. Капсуль ДЕМШ1А подключен кабелем в экране, пропускался в рукав и размещался под браслетом часов. Переложив его в кулак прошептал тему билета, а подперев ухо едва успевал записывать. Переключатель S1, французский прототип П2К, включался надавливанием локтя на карман брюк.
Итак вот она пришла сессия и «черт», т.е. препод с ведром гвоздей так и норовит забить их вам в задницу. Нет, я не стану предлагать оригинальной конструкции гвоздодера. Поговорим о том, как избежать самого неприятного процесса забивания «гвоздей» посредством современных технологий. Придумано это было мною еще в 96 году, когда я учился на первом курсе универа. Ну собственно так я 5 лет и отучился и вышел специалистом с чистой совестью и пустой головой :-) . Палева не разу небыло. Это была так сказать преамбула.
Итак нам понадобится:
1. суперклей
2. мощный магнит от компьютерного винчестера.
3. использованная пальчиковая батарейка.
4. реле РЭС-10 в разобранном состоянии из которой нам нужен тонкий провод. Подойдут и другие реле. Главное тонкий провод. Чем тоньше тем лучше.
5. стеклотекстолит фольгированный.
6. убитый китайский наушник. от него нужна только мембрана.
7. использованный стержень от авторучки диаметром 2.5 - 3 мм и две шайбы которые бы на него налазили и не соскакивали.
Технология
Берем пальчиковую батарейку и снимаем с нее жестяную рубашку. Из этой жести вырезаем полосочку 22-25 мм в длину и 3-4 мм в ширину. Затем сгибаем ее так, чтобы получился цилиндр. Шов цилиндра пропаиваем. Это основание наушника.
Теперь можно приступить к изготовлению основания. Для этого берется стеклотекстолит толщиной около 0.3-0.5 мм (при необходимости он хорошо расслаивается ) и из него вырезается окружность нужного диаметра, она должна с усилием входить в корпус. Как вариант вы можете протравить весь рисунок заранее, а затем вырезать все ножницами. Можно также прорезать все контактные площадки ножом-резаком. По краю окружности стеклотекстолит припаивается к основанию цилиндра. На этом корпус готов.

Теперь необходимо приклеить к основанию магнит. Простой магнит тут не покатит, нужен очень мощный и его добывают из посыпавшихся винчестеров. Одного магнита оттуда хватит на уйму наушников. Добытый из самого святого места компьютера магнит крошится!!! кусачками на кубики размером согласно масштабу (2х2х2 мм) приведенных рисунков. Один из получившихся кубиков ( кубики в первый раз получаются примерно после 10-20 минут крошения ) приклеивается !!!!!!внимание!!!!!! южным!!!! или !!!!! северным!!!полюсом к основанию. Определить где какой полюс можно с помощью какого-нибудь магнита из раздолбанного китайского наушника. Приклеиваются суперклеем. Главное не заклейте два отверстия на основании.
Мембрана добывается из китайских наушников ( причем чем более китайский наушник тем лучше т.к. мембрана тоньше "мне кажется они даже полиэтилен экономят" поскольку излишняя жесткость мембраны влияет на громкость наушника). Провод для катушки добывается из реле типа РЕС-10. Катушка мотается на стержне авторучки D=2.5мм для того чтобы намотка не расползалась на стержень одеваются шайбы-ограничители. В стержне проделывается отверстие в которое суется один конец провода. Перед началом намотки в первый раз следует потренироваться и намотать несколько пробных катушек они не должны быть очень большими т.к. могут в дальнейшем цепляться за магнит. Сопротивление катушки должно быть в пределах 20-80 Ом, это примерно 80 и более витков. При намотке провод слегка смачивается "моментом" или БФом, можно и суперклеем, но аккуратно, чтобы катушка потом не развалилась когда вы ее будете снимать. Сразу же после намотки она снимается чтобы не засохла, если же все-таки засохнет и прилипнет, то можно использовать спирт который быстро растворяет момент. После нескольких неудачных попыток снять катушку с каркаса и не повредить, ее надо приклеить к мембране!!!!!!!!!!! использовав при этом минимум суперклея. Ни в коем случае не намажте суперклеем мембрану в местах, где она не соприкасается с катушкой – иначе мембрана станет жесткой и наушник будет тихо работать. Залудите проводки катушки на расстоянии от нее 2 мм.

Теперь просунув проводки катушки в дырочки основания, мембрана приклеивается минимумом суперклея к внешней стороны корпуса – цилиндра. Проводки припаиваются к контактным площадкам. При этом необходимо всячески стараться не перегреть наушник иначе может отвалиться магнит или еще чего-нибудь. Теперь прозвоните омметром и убедитесь что все в порядке 20-80 Ом.
Беспроводный наушник для сдачи экзаменов
(Вариант 1)
Это устройство было собрано не по необходимости, а по отсутствие его схемы в сети.



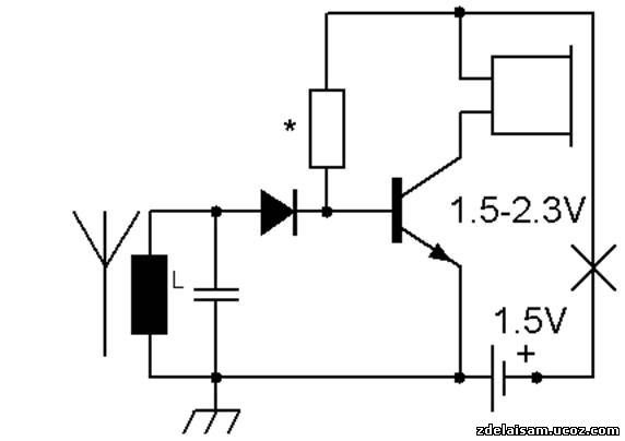
Приемник устройства прост это детекторный приемник с одним каскадом усиления. Входной контур составлен из резистора и конденсатора напряжение, наводимое в контуре детектируется диодом после чего усиливается транзистором в коллекторе которого установлен высокоомный наушник он и является нагрузкой небольшое смещение базы достигается резистором сопративления которого в основном зависит от коэфецента усиления тока базы его сопративление может лежать в пределах 200-430кОм . Такое простое построение схемы обеспечивает высокие параметры при очень маленьких размерах. Транзистор применялся отечественный КТ3130 при выборе транзистора следует стремится к максимальному его усилению. Диод был взят кремневый с барьером шотка типа КД514 или подобный импортный! Конечно, лучше было применить германиевый, но миниатюрных найти не удалось. Резистор RC0402 5% от 200 до 430ом (подобрать при настройке до максемального неискажаемого сигнала. В контуре приемника подойдет любой SMD дроссель я применял 1мкГн тип SDR0402 тип/ размер 0402 от фирмы Bourns. Конденсатор SMD типа GRM типоразмер 0402 +/- 5% ТКЕ МП0 емкостью 39пикофорад что в контуре соответствует примерно 25мГц. Наушник тип ТЭМ-1957, ТЭМ-1956, ТЭМ-1958М, ТЭМ-1958, ТЭМ 2632 или любой миниатюрный главное чтобы его сопротивления было не менее 300 Ом лучше еще выше. Батарея питания, ее следует выбрать как можно более миниатюрную от электронных наручных часов. Но не следует забывать что чем меньше она будет и чем более дешовой вы ее приобретете тем меньше она прослужит! Возможно ее не хватит до конца экзамена. За неимением миниатюрных наушников не могу выложить конструкцию наушника целиком, хотя тут не трудно догадаться, но в скором времяни они должны появится тогда статья будет гораздо полнее и появятся не дорогие наборы для самостоятельной сборки!
Передатчик.
Схема довольно проста это просто передатчик с АМ модуляцией настроенный на частоту 25 мГц. Он состоит из усилителя звуковой частоты модулятора и самого генератора высокой частоты.

На базу транзистора Т4 должно подаваться напряжение смещения через резистор, он пропущен в схеме. Резистор 180 кОм от плюса питания к базе транзистора Т4
УНЧ (Т 1) и модулятор (Т 3) в настройке не нуждаются. Настройка задающего генератора осуществляется изменением положения подстроечника общей катушки L 1, L 2 и изменением значений конденсаторов С 6 по максимуму волномера. Следующий каскад – L 3. Возможно потребуется подбор значений базовогорезистора 24ком (ток транзистора задающего генератора). При настройке антенны с помощью изменений конденсаторов П-фильтра и подстройки L 5 целесообразно использовать волномер. При настройке выходного каскада и его согласования с антенной целесообразно учитывать не оптимальность ее длины, что снижает излучаемую мощность передатчика. Поэтому целесообразно (как и в предыдущем случае) использовать дополнительную индуктивность (хотя это не является обязательным), увеличивающую эффективную длину передающей антенны передатчика. Эта катушка включается последовательно с антенной (на схеме не показана). Параметры элементов П-образного фильтра ( L 5) и дополнительной катушки совпадают с параметрами предыдущей конструкции.
Вот еще обновление, схема рабочая, но на практике не применялась еще.

Беспроводный наушник для сдачи экзаменов
(Вариант 2)
Этот радио наушник отличается от Варианта 1 всем даже принципом действия. Он работает, используя индуктивный метод. Та катушка, что будет у вас находится на шее это первичная обмотка, а на наушнике это вторичная. Вся остальная электроника это низкочастотные усилители. Теперь по конструкции.
На наушник ТЭМ-1958 наматываем приемную катушку она содержит 70-100 витков эмалированного провода типа ПЭВ-2 0.05-0.07 более толстый применять не стоит (может в ухо не влезть). Радио детали применяемые в радио наушнике можете лицезреть на см. рис. 1

Рис. 1
Все детали наушника могут быть смонтированы двумя способами первый самый простой это навесной монтаж см. рис. 2 и 3

Рис. 2

Рис. 3
Теперь остановимся на схеме наушника. Она собрана достаточно примитивна и не нуждается в каком-нибуть налаживание, если собранна из заранее исправных компонентов. Схему см. рис. 4.

Рис. 4
Как видно из схема это обычный НЧ усилитель с непосредственной связью (связями) катушка подключена через разделительный конденсатор. Все транзисторы в нашем варианте были выбраны вражеские в основном из за миниатюрного корпуса типа СОТ-323 они называются ВС847. Можно применить любые другие звуковые маломощные даже структура не имеет значения только типоразмер. (В случае изменения структуры транзисторов просто изменить полярность питания устройства.)
Антенна передатчика (cм. рис. 5)
Она проста для ее изготовления потребуется. Провод диаметром 0.33 мм или около того. Лучше взять гибкий монтажный, чем он будет мягче, тем лучше. Также нужна термоусадочная трубка близкая к цвету одежды или телу. Но это не обязательно можно просто блеклых тонов. На оправке (кастрюля банка или еще чего) 20 см в диаметре отмеряем отгибанием термоусадочную трубку и обрезаем. Тоже делаем, я скалистой проволокой толщенной около 1-2 мм продеваем ее в терма трубку и привязываем к одному ее концу наш провод любым удобным методом. Это будет импровизированной иглой. Теперь отмеряем кусок провода, измеряя его сопротивление оно должно быть около 16нном. Теперь начинаем продевать провод по кругу зазор между концами трубки. Когда все готово у вас получится кольцо диаметром 20 см с не менее чем 40витками провода. Усаживаем трубку теплым воздухом и зачищаем два конца подпаивая к ним кусок экранированного провода от неисправных наушников для плеера, хорошо, если разъем на проводе он, потом пригодится, так как можно не собирать усилитель, а подключать антенну к плееру приемнику итп. На место соединения (пайки) надеваем кусок трубки 5-8 см с учетом, чтобы трубка закрыла пайку и в нее вошли сложенный в двое виток антенны. Передатчиком этой антенны может служить любой звуковой усилитель мощности более 50 мВт и способный работать на нагрузку 8-16 ом.

Печатная плата второго варианта компоновки.

Еще статью не дописали до конца а люди уже мутятся делают. Сдают экзамены на отлично наверно. Dmitry прислал фотки своего устройства (смотрите ниже).


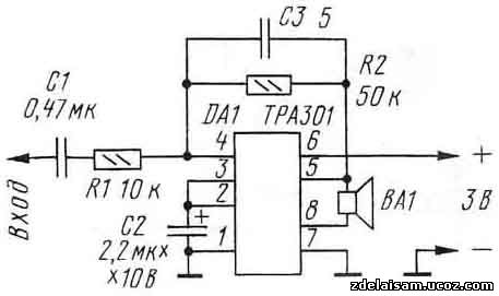
Усилитель (вариант №1)

Усилитель передатчика №2. Проще уже не бывает. Разница в том что придется мотать катушку на сопротивление указанное на схеме. (вместо динамика)
Схемка усилителя

Беспроводный наушник для сдачи экзаменов
(Вариант 2 - продолжение)
Как сделать усилитель (передатчик):
1). Покупаем обыкновенное китайское радио с автоматической настройкой, без динамика. Подойдет любая модель так как схема практически ничем не отличается.
2). Разбираем радио.
а). Находим микросхему. Аккуратно удаляем 2, 4, 5 ножки. (Если смотреть на микросхему сверху, и считать что первая ножка рядом с меткой).
б). Находим гнездо для наушников. Находим ножку гнезда, которая подает сигнал на средний контакт штеккера(если штеккер стерео). Находим дорожку которая идет от этой ножки и обрезаем ее. Вообщем гнездо будет приспособлено для моно штеккера. Туда будет втыкаться антенна одеваемая на шею.
в). Находим переменный резистор, который является регулятором громкости и включателем. Два крайних его контакта идут к hundsfree вместо наушника (см. фото_1).
3). Прорезаем в корпусе радио место для провода hundsfree.Закрываем все как было в корпус. Усилитель готов к употреблению! (см.фото_1)

Фото 1
К hundsfree подключаем телефон (hundsfree должен подходить к телефону!). В усилитель(бывший приемник) вместо наушников втыкаем антенну.
Hundsfree:
Hundsfree в особой доработке не нуждается! Вместо наушника подключаем усилитель. Можно вскрыть кнопку hundsfree и вытащить оттуда микрофон. Сделать его на отдельном проводе(см. фото_1). Самое главное: hundsfree должен быть подобран под конкретную модель телефона.В противном случае могут быть проблемы со звуком.
Микронаушник.
Катушка наушника намотана прямо на телефонном капсюле (ТЭМ) вдоль него! После намотки удобно зафиксировать витки на капсюле с помощью супер-клея. Детали наушника смонтированы на плате, что упрощает процесс сборки и позволяет паять чип-детали размера 0805 и меньше. Место для батарейки находится сзади наушника. Плата располагается над батарейкой. Наушники получается с одного конца чуть толще, что хорошо его удерживает в ухе и недает ему попасть в мозг! :0)
Контакты для батарейки вырезаны из медного экрана (от какой то катушки) и припаяны к плате. Капсюль с намотанной на него катушкой можно также приклеить супер-клеем к одному из контактов для батарейки(через прокладку). Вся систем загоняется в термоусадочную трубку диаметро 9-10 мм. и с помощью строительного фена или обыкновенной свечки аккуратно приводится в готовое состояние (при этом батарейку нужно вставить в наушник, а трубку с широкой стороны наушника зажать пинцетом, после остывания в зажатом месте образуется красивый шов, который можно подравнять кусачками). См. фото.





Хотел добавить специально для очумелых ручек! Чтобы не покупать и не ломать приемник даже если он китайский, давайте обратимся к его схеме. см ниже

Из нее мы видим, что большая ее часть не используется, а используется всего усилитель ЗЧ собранный на двух транзисторах! Мы можем заменить их отечественными, к примеру, КТ3102. Будет не хуже, а может и лучше. Этот усилитель способен с искажениями отдать мощность, которой будет достаточно для качественной работы наушника. Но есть и подводные камни эта схема не даст качественного звука и он будет на уровне промышленных образцов! Но мы вить радио любители и не остановимся на достигнутом.

Усилитель ЗЧ более качественный можно собрать на одной дешевенькой микросхеме и четырех дискретных элементах. Надеюсь не надо пояснять, что мы включим вместо наушников? Да правильно катушку передатчика вяло свисающей с шее.

Вот мы и подошли к заключительной части статьи. И ставим на этом жирную точку.
Беспроводный наушник для сдачи экзаменов
(Вариант 2 - окончание)
Вариант изготовления.
Радионаушник, о сборке которого будет идти речь, собираем по схеме (Рис.1), которая была уже ранее представленна. Для этого нам понадобятся все радиодетали (SMD), изображённые на схеме, электромагнитныи телефон ТЭМ-1958, термоусадочная трубка (желательно телесного цвета) и эмалированный провод 0.04-0.05 мм (его можно добыть, поломав китайский будильник).

Рис. 1
Первым делом изготавливаем на компе схему печатного монтажа т.к она уже готова то просто скачиваем, печатаем и изготавливаем непосредственно плату.

Рис. 2

Рис. 3
Схема печатного монажа, как это видно на рисунке, состоит из двух отдельных частей. На основной плате располагаются: транзисторы V1-V3 и резисторы 10К и 43К. На второй плате располагаются: конденсатор 0.1мФ и резистор 560К.

Рис. 4

Рис. 5

Рис. 6
Т.к радионаушник должен быть максимально компактным, поэтому изготавливать плату нужно также с максимальной осторожностью. Для того чтобы вырезаные подобным образом платы были не только малы по площади (Рис.6), но и по толщине, мы начинаем очень осторожно и кропотливо сошлифовывать с обратной стороны поверхность платы, а за одно и ногти. Для начала лучше всего использовать крупную наждачку ну, а уже потом когда обратная поверхность будет сошлифована до минимума (главное тут не перестаратся!) мы берём по возможности мелкую наждачку и аккуратно дорабатываем поверхность помня о том, что этой поверхностью обе платы будут клеиться к корпусу ТЭМа-1958.
Далее, как и полагается, следует пайка элементов. Паять лучше всего на какой нибудь металлической поверхности, которая будет поглащать излишки тепла, потому что при пайкe на столько тонкой платы могут отойти дорожки ! (ну а впрочем всё зависит от вашей способности паять). Готовые платы приклеиваем надёжным суперклеем так, чтобы платы состыковались между собой (Рис.9), место стыка спаиваем (как раз место соeдинения конденсатора с эмиттерами транзисторов). Торчащие края удаляем скальпелем!

Рис. 7

Рис. 8

Рис. 9
Теперь берём катушку (Рис.10) с ранее упомянутым эмалированным проводником и наматываем 70-100 витков на оставшееся свободное место на ТЭМе-1958 и согласно схеме припаиваем её концы к платам. Для надёжности можно капнуть на катушку немного клея. Использование проводника с большим диаметром может привести к самовозбуждению наушника (высокочастотный писк).

Рис. 10

Рис. 11
Если заготовка выглядит подобным образом то вы в правильном направлении !
Для изготовления фассунга для батарейки используем жесть (можно снять со старой батарейки) и материал для изготовления плат. Из жестянки вырезаем основную часть корпуса фассунга (которая так же является клемой «+») см. рис.12 из материала для изготовления плат вырезаем круг диаметром 6 мм и опять же берём наждачку и сошлифовываем поверхность и, без того кровоточащие, пальцы до минимума, это у нас получилась клема «-». В итоге фассунг выглядит подобным образом cм. рис.13.

Рис. 12

Рис. 13
Теперь настал очень ответственный момент «Установка фассунга». Eсли сейчас не сконцентрируетесь, то считайте дело провалилось! Первым делом припаиваем клему «+» к одному из контактов ТЭМа-1958 (лучше к правому, если смотреть со стороны маркировки и учитывая, что контакты сверху) делать это нужно очень аккуратно и быстро, т.к эти контакты очень быстро отпадают и потом всё, «геморрой»! Ну а если всё получилось, то можно продолжать дальше, для того чтобы эта клема в дальнейшем не отпала и не испортила вам настроение, то её нужно как следует приклеить или залить двухкомпонентным суперклеем (его стойкость 250кг/см?, можно и послабей), одновременно приклеиваем клему «-» (Но перед этим не забудте соеденить второй контакт ТЭМа со схемой, а то поздно будет!) Клема «+» не должна контактировать с корпусом!
После того как клей хорошо просохнет, мы добавляем, согласно схеме, отсутствующие соединения, для этого используем эмалированный проводник. В местах, где он будет проходить, проливаем умеренным количеством китаиского секундного клея, чтобы не перемкнуло (изоляция). В завершении полученую конструкцию помещаем в термоусадочную трубку (батарейка должна находится в фассунге!), нагреваем строительным феном или зажигалкой, со стороны батарейки нагретую трубку зажимаем пинцетом, торчащие конечности аккуратно удаляем скальпелем. Правильно собранный наушник будет издавать лёгкое шипение!

Рис. 14

Рис. 15

Рис. 16
Так он смотрится в ухе!
Изготовление антенны передатчика изложенно в преддыдущих статьях!
Беспроводной микронаушник на микросхеме
Собрал для сегодняшнего экзамена всю эту установку на микросхеме TDA7050, как усилитель для петли, так и сам наушник.
Для петли использовал микросхему в обычном корпусе. Схема включения похожа на стерео (нижняя), только соединил вместе 2ю и 3ю ноги, а 7 и 8 раздельно идут на конденсаторы. Но после них не на 2 динамика, а соединяются вместе и на петлю (чисто на слух так звук помощнее, чем использовать моно-вариант т.е. верхную 1-ю схему), второй конец петли естественно на минус.
Петлю намотал на 32 ома. В качестве батареи взял аккумулятор от самсунга Х100.

Если имеется возможность, то лучше собирать усилитель для петли используя м/с TDA7052, наушник намного лучше ловит !
В самом наушнике использовал микросхему в СМД корпусе. Динамик взял от нокиа (тот что 60 Ом вроде). Собрал по первой схеме, но только без всяких резисторов и конденсаторов, т.е. на вход подключил катушку (без конденсаторов и резисторов!!!), которую намотал на микросхему.
А чтобы сопротивление было побольше, я просто намотал побольше витков (минут 12-13 мотал в ручную проводом 0,01 мм, пока проволока сама не порвалась, на этом месте и прикрепил к минусу).
Использовал две батарейки LR41 (пузатенькие такие, но уместились). А так неплохо поучилось, для меня самый оптимальный вариант, т.к. мелких деталей у меня в городе вообще не продают, микросхему-то не сразу нашёл. Размер "уха" в принципе нормальный, но допустим к моему одногрупнику мог бы и не уместиться.
Вот снимки, правда это черновые варианты (корпус из бумаги, чтобы хотя бы как-то батарейки держать), т.к. термоусадочной трубки нужного диаметра пока не нашёл.

Ну вот то что под бумажкой, конечно делать нужно поплотнее

Пожалуй самая главная часть: катушка намотанная прямо на микросхему, закрепленную на динамике. Паялось всё 45 ватным паяльником, т.к. особо сложного ничего нет и мелких деталей тоже: только микросхема и динамик от нокиа, ну и катушка естественно.
Конечно же, если поаккуратнее всё сделать и батарейки поменьше поставить, то в длину 1-1,5 мм и в диаметре в области батареек ещё можно выиграть. Только диаметр динамика никак нельзя изменить, если только динамик найти поменьше. Мой вариант в длину получается 9 мм вместе с батарейками. Диаметр в области самого динамика 8 мм, там где батарейки до 8 мм (в зависимости от того какие батарейки поставить).
Ещё использовал батарейки 361A, они в диаметре такие же как и LR41 но тоньше. 361A хватает приблизительно как минимум на 1,5 часа, точно сказать не могу, проверял со старыми батарейками. Сила тока между ними и ухом приблизительно 5-6 mA (это если измерять дешёвым стареньким китайским тестером). Но по мануалу к микросхеме написано, что при 3V ток потребления 3,2 mA.
Что касается шумов, то речь и музыку в наушнике слышно и разобрать вполне можно, но чем меньше витков, тем меньше слышно, но зато и меньше шипения. Чем больше витков, тем лучше слышно как и речь так и шипение, правда есть определённый предел, при превышение которого речь начинает пропадать и ещё больше увеличивается шипение и чувствительность ко всяким приборам. Можно, прислонившись ухом к стенке, определить без каких либо проблем где проводка проходит.
Удачи всем!!!!
P.S. Вся представленная информация используется для самообразования!!!! Администрация сайта, также, как и автор статьи, не несет никакой ответственности за неправильное использование информации и каких-либо негативных последствий.
Совет: Если кто болел острым воспалением внутреннего уха, которое проявляется в том, что в какой-то момент скопившийся в ушном канале гной прорывает барабанную перепонку и выходит наружу, то этим ухом лучше не пользоваться!!!!!!!!!!
Барабанная перепонка заживает, но стягивается она не полностью, оставляя некоторую дырочку. Также после этого возможно ослабление слуха на 10-15% (изменяетя тембровая окраска, Высокие частоты слышны хуже).





